Hướng dẫn lắp đặt máy phát điện an toàn và hiệu quả từ chuyên gia
Trong giai đoạn nắng nóng nhất năm 2026 với nhu cầu sử dụng điện năng ngày càng cao, việc trang bị một hệ thống máy phát điện dự phòng đã trở thành nhu cầu thiết yếu cho cả hộ gia đình lẫn doanh nghiệp. Tuy nhiên, để thiết bị vận hành bền bỉ, phát huy tối đa công suất và trên hết là đảm bảo an toàn tuyệt đối cho người sử dụng, quy trình lắp đặt cần được thực hiện đúng tiêu chuẩn kỹ thuật. Bài viết này sẽ cung cấp cho bạn cái nhìn toàn diện và chi tiết nhất về hướng dẫn lắp đặt máy phát điện.
1. Lựa chọn vị trí lắp đặt máy phát điện tiêu chuẩn
Việc chọn vị trí đặt máy phát điện là bước quan trọng đầu tiên, quyết định đến hiệu suất làm mát và sự an toàn của môi trường xung quanh.
Lắp đặt máy phát điện ngoài trời
Nếu bạn chọn lắp đặt máy phát điện ngoài trời, thiết bị phải được bảo vệ khỏi các tác nhân thời tiết như mưa, bụi bẩn và đặc biệt là ánh nắng mặt trời trực tiếp. Nhiệt độ cao từ mặt trời có thể khiến động cơ bị quá nhiệt, làm giảm hiệu suất hoặc gây hư hỏng linh kiện. Giải pháp tối ưu là xây dựng một nhà bao che hoặc mái che thoáng mát cho máy.

Lắp đặt máy phát điện ngoài trời
Lắp đặt máy phát điện trong nhà
Khi lắp đặt máy phát điện trong phòng kín, bạn cần tuân thủ các thông số kỹ thuật về không gian như sau:
- Khoảng cách xung quanh: Cần duy trì khoảng trống tối thiểu 1 mét xung quanh tất cả các mặt của máy để thuận tiện cho việc vận hành, kiểm tra và bảo trì bảo dưỡng định kỳ.
- Chiều cao phòng máy: Chiều cao của phòng lắp đặt nên đạt từ 1,5 mét trở lên để đảm bảo lưu thông không khí và không gian thao tác cho kỹ thuật viên.
- Hệ thống thông gió: Đây là yếu tố sống còn. Phòng máy phải có cửa cấp gió tươi và cửa thoát khí nóng riêng biệt để đảm bảo động cơ luôn được làm mát và đủ oxy cho quá trình cháy.
2. Hệ thống khí xả và những lưu ý an toàn tối quan trọng
Khí thải từ máy phát điện chứa Carbon Monoxide (CO) – một loại khí cực độc, không màu, không mùi và có thể gây tử vong nếu hít phải trong không gian kín.
- Bố trí đường ống xả: Hệ thống ống dẫn khí xả phải được thiết kế theo con đường ngắn nhất có thể và giảm thiểu tối đa các khúc cua (co) để tránh gây áp lực ngược lên động cơ.
- Vị trí thoát khí: Đầu ra của ống xả phải được hướng ra nơi thoáng khí, cách xa cửa sổ, cửa ra vào hoặc các lỗ thông gió của nhà ở để tránh khí độc lùa ngược vào bên trong.
- Cố định ống xả: Đường ống cần được cố định chắc chắn vào cấu trúc tòa nhà bằng các giá đỡ chuyên dụng để giảm rung chấn khi máy phát điện vận hành.
3. Đấu nối điện và tiếp địa cho máy phát điện
Quy trình đấu nối điện cần được thực hiện bởi người có chuyên môn để tránh các sự cố cháy nổ hoặc hỏng hóc thiết bị tiêu thụ.
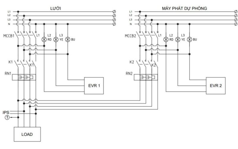
- Kết nối tải: Tuyệt đối không được cắm trực tiếp nguồn từ máy phát điện vào ổ cắm trên tường vì điều này có thể gây hiện tượng “xông điện” ngược lại lưới điện quốc gia, cực kỳ nguy hiểm. Thay vào đó, máy phải được kết nối thông qua một cầu dao đảo chiều (Manual Transfer Switch) hoặc tủ ATS tự động.
- Kiểm tra thứ tự pha: Đối với dòng máy phát điện 3 pha (như các model EXT20KFE, EXT28KFE), việc xác định đúng thứ tự pha khi lắp đặt là bắt buộc để tránh làm cháy các mô tơ điện của thiết bị sử dụng.
- Hệ thống tiếp địa: Sau khi lắp đặt xong, lưu ý quan trọng là cần thực hiện đóng cọc tiếp địa và kết nối dây tiếp đất cho vỏ máy phát điện để đảm bảo an toàn, phòng tránh rò rỉ điện gây giật cho người vận hành.

Sơ Đồ Đấu ATS Với Máy Phát Điện
4. Kiểm tra trước khi vận hành lần đầu
Sau khi hoàn tất việc lắp đặt cơ khí và điện, bạn cần thực hiện một danh mục kiểm tra nghiêm ngặt trước khi nhấn nút khởi động máy phát điện:
- Kiểm tra nhớt: Sử dụng que thăm dầu để đảm bảo mực nhớt đạt khoảng 2/3 mức cho phép. Không nên để nhớt quá thiếu hoặc quá thừa.
- Kiểm tra nước làm mát: Đảm bảo két nước được đổ đầy dung dịch làm mát tiêu chuẩn. Tuyệt đối không mở nắp két nước khi máy còn nóng để tránh bị bỏng do áp suất hơi nước.
- Kiểm tra nhiên liệu: Kiểm tra mức dầu diesel trong bình và hệ thống ống dẫn, đảm bảo không có hiện tượng rò rỉ.
- Kiểm tra ắc quy: Đảm bảo các đầu cực được siết chặt và đúng cực tính (dương trước, âm sau). Đối với ắc quy kín khí, hãy kiểm tra “mắt thần”: màu xanh là bình thường, màu đỏ là cần thay thế.
5. Tại sao nên chọn máy phát điện Kibii – Động cơ Kubota Nhật Bản?
Trong các giải pháp nguồn điện dự phòng hiện nay, dòng máy phát điện Kibii sử dụng động cơ Kubota (Nhật Bản) được đánh giá cao nhờ sự bền bỉ và hiệu suất vượt trội.
- Tiết kiệm nhiên liệu: Nhờ công nghệ động cơ tiên tiến, các dòng máy như EXT10KFE chỉ tiêu thụ khoảng 2,6 – 3,2 lít dầu/giờ ở mức tải cao.
- Chống ồn hiệu quả: Vỏ máy được làm từ thép dày 2mm sơn tĩnh điện với lớp vật liệu giảm âm đạt chuẩn, giúp độ ồn chỉ ở mức 63-65 dB(A) khi hoạt động, phù hợp cho khu dân cư.
- Hệ thống điều khiển thông minh: Sử dụng các bộ điều khiển hiện đại như EMKO hay DSE4520, giúp giám sát mọi thông số vận hành và tự động dừng máy khi có sự cố như áp lực nhớt thấp hoặc nhiệt độ nước cao.

Máy phát điện giảm âm Kibii – Giải pháp cho ngày nắng nóng
6. Lời khuyên về bảo trì sau lắp đặt
Để máy phát điện luôn sẵn sàng hoạt động trong những tình huống khẩn cấp, người dùng cần tuân thủ lịch bảo dưỡng định kỳ:
- Vận hành máy ít nhất 2 tuần một lần trong khoảng 15-30 phút để sạc lại bình ắc quy và làm nóng động cơ.
- Thay nhớt định kỳ sau mỗi 100-200 giờ hoạt động.
- Vệ sinh và thay thế lọc gió thường xuyên, đặc biệt là khi lắp đặt trong môi trường nhiều bụi bẩn.
Việc tuân thủ đúng hướng dẫn lắp đặt máy phát điện không chỉ giúp bạn bảo vệ tài sản mà còn là sự đầu tư cho an toàn tính mạng của gia đình và nhân viên. Nếu bạn gặp khó khăn trong quá trình thực hiện, hãy liên hệ ngay với các đơn vị phân phối uy tín như Công ty TNHH MTV An Khánh Bình hoặc Cổ phần Công nghiệp Kim Bình để được hỗ trợ kỹ thuật chuyên sâu.
Một hệ thống máy phát điện được lắp đặt đúng chuẩn sẽ là “người bạn đồng hành” đáng tin cậy nhất trong mọi mùa nắng nóng cao điểm.
📍 An Khánh Bình – Cung cấp máy phát điện dành riêng cho container Kibii EXT25KFD và các dòng máy phát điện dân dụng uy tín tại Đồng Nai và các tỉnh lân cận.
📞 Gọi ngay Hotline của Kubota An Khánh Bình: 0903.843.188 – 0251.370.8655
📍 Hoặc ghé thăm Trung tâm Dịch vụ của chúng tôi tại: 170 đường 21 tháng 4, Kp. Cẩm Tân, P.Hàng Gòn, Đồng Nai
Website: www.akbc.com.vn
Youtube: @kubotaankhanhbinh1869
Fanpage: kubotaankhanhbinh
